Muchos proyectos electrónicos fallan no por los componentes caros, sino por un mal ajuste de resistencia. Usar potenciómetros inestables o plásticos puede resultar en derivas de voltaje, interferencias o daño al circuito tras días de funcionamiento.
⚙️ El Cermet Trimmer Potenciómetro 3006P, fabricado con material cerámico-metal, ofrece una resistencia térmica superior, estabilidad eléctrica y una vida útil de hasta 200 ciclos de ajuste, ideal para fuentes de alimentación, instrumentos de medición y placas industriales. Con valores de 1K a 500K, se adapta a todas tus necesidades de precisión.
-
✅ Ajustar y calibrar circuitos con precisión profesional.
-
✅ Evitar fallos por variaciones térmicas o humedad.
-
✅ Reemplazar potenciómetros comunes por uno de larga vida útil.
-
✅ Tener variedad de valores (1K–500K) para múltiples proyectos.
-
✅ Montar en PCB fácilmente sin herramientas adicionales.
🚀 5 CASOS DE ÉXITO REALES
-
Placa de control solar en El Alto: Calibración estable de voltaje de corte en relés.
-
Estudiantes de mecatrónica en Cochabamba: Usado en módulos de amplificadores y fuentes variables.
-
Ingeniería industrial en Santa Cruz: Aplicado en reguladores de temperatura y velocidad de motores.
-
Técnico en La Paz: Reparación de equipos de audio con precisión en preamplificadores.
-
Laboratorio electrónico en Sucre: Ideal para bancos de pruebas y prototipos de medición.
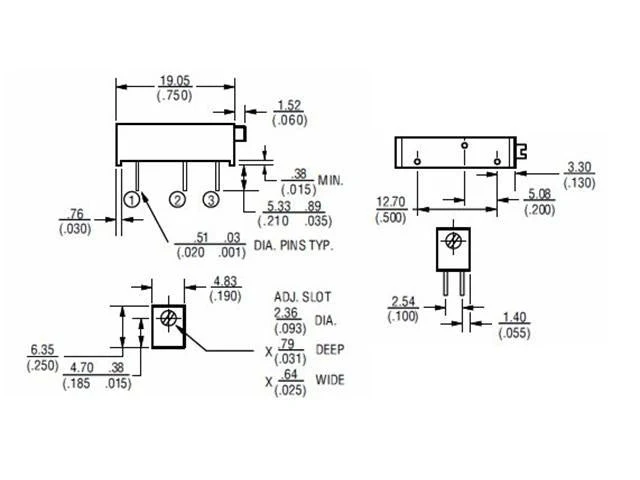
📊 FICHA TÉCNICA DEL PRODUCTO
-
Modelo: 3006P
-
Tipo: Trimmer Potenciómetro Cermet
-
Material: Cermet (cerámica + metal)
-
Tolerancia: ±10%
-
Potencia máxima: 0.5W (a 70°C)
-
Rango de resistencia disponible: 1K, 2K, 5K, 10K, 20K, 50K, 100K, 200K, 500K ohmios
-
Montaje: A través de orificio (Through Hole – TH)
-
Configuración: 3 pines, ajuste superior con tornillo
-
Rotación: Multivuelta (alta precisión de ajuste)
-
Vida útil: 200 ciclos de ajuste mínimo
-
Uso: Electrónica industrial, fuentes, audio, controladores, instrumentos.
-
Temperatura de trabajo: -55°C a +125°C
-
Dimensiones: 10 x 10 x 6mm aprox.
🛠️ PASO A PASO DE USO / INSTALACIÓN
-
Identifica el valor de resistencia que necesitas (ver impresión en el cuerpo: 1K, 10K, etc.).
-
Ubica la zona de montaje en tu PCB (tres agujeros estándar TH).
-
Inserta los 3 pines del trimmer según el diseño (común + entrada + ajuste).
-
Suelda con cautín de punta fina y estaño delgado.
-
Ajusta con destornillador plano la resistencia girando el tornillo superior (en sentido horario o antihorario).
-
Mide con multímetro el valor ajustado si es necesario antes de energizar el circuito.
-
¡Listo! Disfruta de una calibración precisa y duradera.

















hernan –
⭐⭐⭐⭐⭐ «Mucho más estables que los plásticos, no varían con el calor.» – Roxana Mamani, El Alto