La Breakout board CNC USB MACH3 100Khz 4 axis interface driver motion controller es la pieza que convierte tu PC + Mach3 en un control de movimiento serio: 4 ejes (X/Y/Z/A), pulsos rápidos, control de spindle, y entradas/salidas para automatización real.
Aplicaciones reales (mínimo 6)
-
Router CNC para MDF/ACM: cortes limpios y repetibles en producción.
-
CNC para acrílico y letreros: trayectorias suaves sin “dientes” por pérdida de pasos.
-
Grabado en aluminio: control más fino del avance y estabilidad del movimiento.
-
Mesa plasma DIY: entradas para límites/E-Stop y control ordenado del sistema.
-
CNC foam / moldes: repetición de piezas para empaques y prototipos.
-
Automatización con relés (bomba de refrigeración / extractor / iluminación del gabinete) usando salidas digitales (con relé externo).
Sectores donde se usa en Bolivia
-
Talleres de corte y rotulación, carpinterías CNC, fabricación de piezas, laboratorios técnicos, colegios técnicos (CNC educativo), y proyectos de automatización industrial.
Situaciones donde “salva el proyecto”
-
Cuando ya invertiste en drivers y motores y lo único que te está arruinando todo es el “cerebro” (controladora).
-
Cuando necesitas spindle con variador: la salida 0–10V te deja controlar velocidad de forma estándar industrial.
Por qué es “nivel profesional”
-
Entradas optoaisladas (para límites/E-Stop/probe).
-
Salidas digitales optoaisladas tipo drenaje abierto (para relés, con límite de corriente y recomendación de amplificación si excede).
-
Control dedicado con arquitectura ARM y comunicación por USB.
4️⃣ ¿QUÉ DESEOS CUMPLE ESTE PRODUCTO?
-
“Quiero que mi CNC deje de fallar”: estabilidad de pulsos y entradas limpias para que no se arruinen trabajos.
-
“Quiero instalar como técnico”: control de spindle 0–10V y señales ordenadas, sin inventos.
-
“Quiero producir y cobrar sin vergüenza”: repetición de piezas y menos retrabajo.
-
“Quiero seguridad real”: E-Stop y límites bien integrados para evitar choques del eje.
-
“Quiero ahorrar a largo plazo”: menos fresas rotas, menos material desperdiciado, menos horas perdidas.
5️⃣ 5 CASOS DE USO REALES (Bolivia)
-
Santa Cruz – taller de letreros: router CNC corta acrílico todo el día; la Breakout board CNC USB MACH3 100Khz 4 axis interface driver motion controller evita saltos de pasos por ruido y mantiene repetición en producción.
-
Cochabamba – carpintería CNC: cortes de MDF para muebles; con límites y E-Stop bien conectados se evitan choques del carro al final de carrera.
-
La Paz – laboratorio técnico: prototipos de piezas; control 0–10V para ajustar velocidad del spindle según material sin improvisar.
-
Oruro – taller metalmecánico: grabado de placas y piezas; estabilidad de avance reduce marcas y “temblores” en trayectorias largas.
-
Tarija – colegio técnico: CNC educativo; con entradas optoaisladas se reduce daño por conexiones erróneas y ruido eléctrico en gabinete.
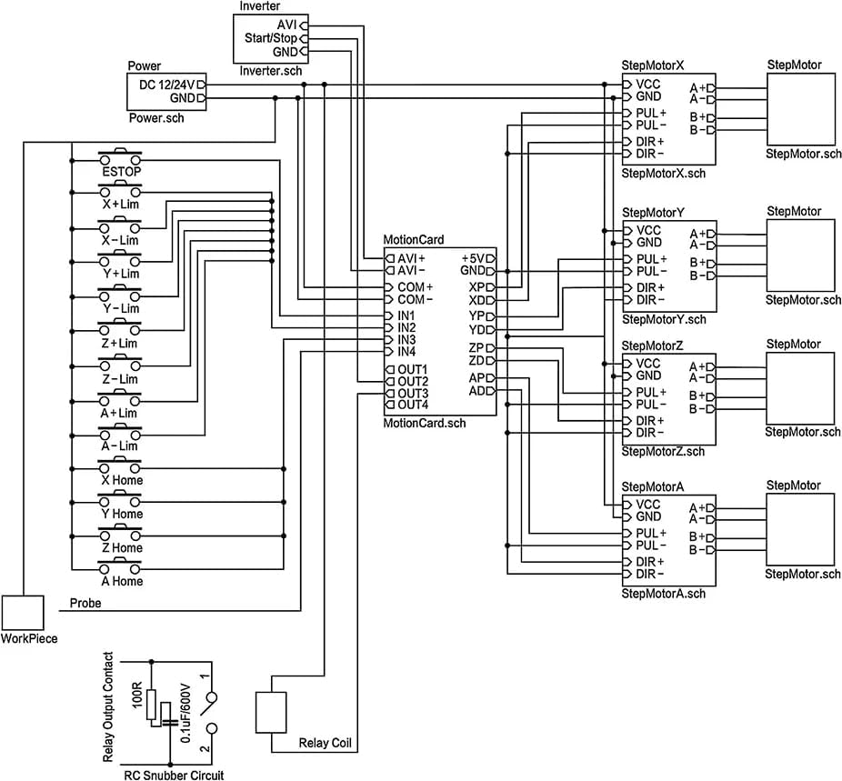
6️⃣ FICHA TÉCNICA
-
Producto: Breakout board CNC USB MACH3 100Khz 4 axis interface driver motion controller (tipo NVUM_SK / equivalente)
-
Comunicación: USB
-
Ejes: 4 ejes (X/Y/Z/A) con salida de pulsos hasta 100 kHz por eje
-
Entradas: 8 puertos optoaislados para señales digitales (límite, E-Stop, probe, etc.)
-
Salidas: 3 puertos optoaislados de salida digital (tipo drenaje abierto / “open drain”)
-
Control de spindle: Salida analógica 0–10V (puede configurarse a PWM según placa/firmware)
-
Corriente de salidas: absorción recomendada < 50 mA en salida opto; si el relé consume más, usar etapa amplificadora/driver
-
Alimentación: 18–32V DC
-
Tamaño aprox.: 69 mm × 52.5 mm (puede variar por versión/lote)
-
Certificaciones: si aplica, según lote/proveedor
-
Compatibilidad real: Mach3 con plugin/controlador correspondiente de la placa
PASO A PASO DE USO O INSTALACIÓN
-
Define tu sistema: motores/driver por eje (X/Y/Z/A) y si usarás spindle con variador.
-
Monta la placa en gabinete (separadores/aislación).
-
Alimenta la placa con fuente DC dentro del rango (ej. 18–32V DC según placa).
-
Conecta cada eje al driver: Pulso (CP-/STEP-), Dirección (DIR-) y común (COM+), respetando polaridad.
-
Conecta límites/E-Stop/probe a las entradas optoaisladas (usa cableado ordenado y revisa común/anodo según diagrama de tu placa).
-
Spindle (opcional): conecta 0–10V (VSO) + GND al variador/entrada analógica; conecta M3 si necesitas RUN/STOP.
-
Salidas (opcional): si controlarás relés, usa OUTx + GND con fuente externa; si el relé consume mucho, usa driver/transistor/relé intermedio.
-
Instala Mach3 + plugin/driver de la placa, configura pines, pasos por mm, aceleración, límites.
-
Prueba segura: primero sin herramienta, con E-Stop a mano, y verifica sentidos de ejes.
-
Ajuste final: calibra steps/mm y prueba un cuadrado de control para verificar precisión.
⚠️ Advertencia: trabaja con gabinete cerrado, E-Stop funcional y límites activos antes de producción.

















hernan –
Karla Jimena Salvatierra (Tarija): “Para el laboratorio técnico, buena compra. Las entradas optoaisladas ayudan cuando hay ruido o cables largos.”