✅ Si tu objetivo es reducir paradas y retrabajos, invierte en componentes que garanticen rendimiento sostenido. Este TRS de Weidmüller soporta cargas resistivas hasta 6 A (con picos de irrupción hasta 20 A por 20 ms), tiene aislamiento entre bobina y contactos de 4 kV y creepage/clearance ≥ 6 mm, y está optimizado para montaje en riel DIN con fácil reemplazo modular. Frente a alternativas sin supresión RC o con contactos de menor calidad, el TRS entrega menos interferencia, menos calentamiento en conmutación repetida y mayor vida útil —es la opción profesional para paneles eléctricos, HVAC, automatización y sistemas de seguridad. ✅
3) ¿Qué deseos cumplirá? (5 — específico, vívido)
-
Deseo de cero paradas no planificadas: que las bombas, válvulas y motores funcionen días enteros sin fallas por relé.
-
Deseo de integrabilidad profesional: encajar módulos en gabinete DIN con documentación y repuestos fáciles de conseguir.
-
Deseo de reducir ruido electromagnético: acabar con resets o interferencias por conmutaciones rápidas.
-
Deseo de seguridad y cumplimiento: cumplir normas eléctricas y auditorías con componentes certificados.
-
Deseo de confianza del cliente: demostrar a tu cliente que usas componentes de marca, no “parches” genéricos.
4) 5 casos de excelente utilidad
-
Relevo de bombas en planta de agua potable (Santa Cruz) que dejó de sufrir cortes por sobrecorriente.
-
Control de actuadores HVAC en edificio corporativo (La Paz) con menos ruido de conmutación.
-
Panel de control para línea de envasado: reemplazo rápido y modular durante mantenimiento preventivo.
-
Tablero de alimentación de backup (UPS) donde el aislamiento 4 kV evitó disparos por transientes.
-
Automatización en industria alimentaria que necesitaba componentes certificados y resistentes a ciclos largos.
5) Descripción expandida + Ficha técnica
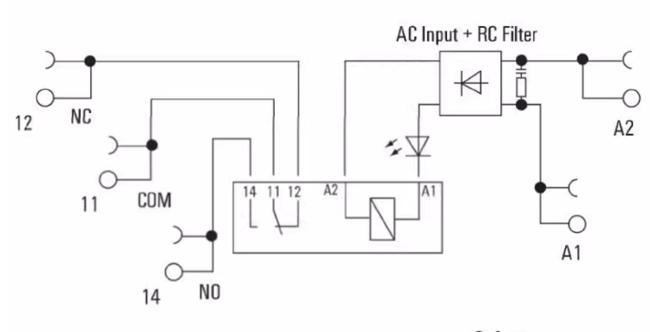
Descripción expandida: Relé modular TRS para riel DIN (TS35) con bobina para 230 V AC, circuito RC de supresión integrado para reducciones de interferencia, contacto 1CO (SPDT) AgNi, indicado para conmutar cargas resistivas y pequeñas inductivas en aplicaciones de control. Carcasa termoplástica resistente con disipación adecuada para evitar acumulación de calor en uso repetido.
Ficha técnica (resumen verificable):
-
Referencia: Weidmüller TRS 230VAC RC 1CO — 1122840000
-
Tipo: Relé modular para riel DIN, 1 contacto (CO / SPDT)
-
Tensión de bobina: 230 V AC ±10%
-
Corriente de bobina: 8.5 mA AC (aprox.)
-
Potencia de control: ~2 VA típicos
-
Contactos: AgNi (plata-níquel)
-
Corriente nominal de conmutación: 6 A
-
Voltaje de conmutación máximo: hasta 250 V AC / 250 V DC (según condición)
-
Corriente de irrupción: 20 A / 20 ms (resistiva)
-
Tiempo de activación: ≤10 ms ; liberación: ≤12 ms
-
Vida mecánica: ≈ 5 × 10⁶ ciclos
-
Aislamiento bobina-contactos: prueba dieléctrica 4 kV rms / 1 min
-
Creepage / clearance: ≥ 6 mm
-
Supresión integrada: RC (94 Ω / 100 nF) + rectificador para bobinas AC
-
Montaje: clip para riel DIN TS35
-
Sección de conductor admitida: 0.14 mm² – 2.5 mm²
-
Par de apriete: 0.4 Nm máximo
-
Temperatura operativa: –40 °C a +60 °C
-
Protección: IP20 (uso en gabinetes cerrados)
-
Altitud de operación: ≤ 2000 m
-
Certificaciones: CE, cULus (E141197)
-
Materiales: contactos AgNi, carcasa termoplástica resistente al calor; circuito interno optimizado para disipación.




















hernan –
Roberto Cáceres (Cochabamba) — “Menos interferencia en PLCs desde que cambiamos a estos relés.”